選擇性分支與匯合的編程的步進順控設計法
文章分享:選擇性分支與匯合的編程的步進順控設計法。
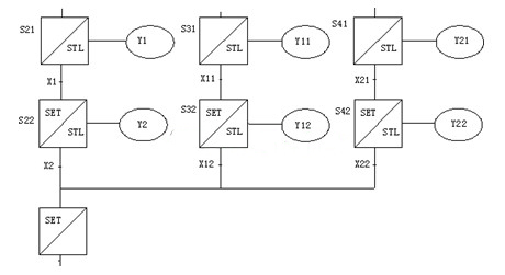
選擇性分支狀態轉移圖,從多個流程順序中選擇執行一個流程,稱為選擇性分支。圖1就是一個選擇性分支的狀態轉移圖。
圖1 選擇性分支狀移圖
該狀態轉移圖有三個流程圖,S20為分支狀態 ,根據不同的條件( X0,X10,X20), 選擇執行其中一個條件滿足的流程。 X0,X10,X20不能同時為ON,S50為匯合狀態,可由S22、S32、S42任一狀態驅動。
選擇性分支、匯合的編程。
編程原則是先集中處理分支狀態,然后再集中處理匯合狀態。
分支狀態的編程
編程方法是先進行分支狀態的驅動處理,再依順序進行轉移處理。
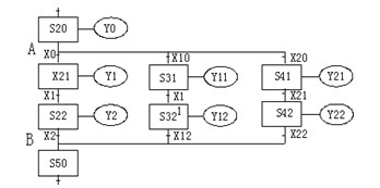
圖1的分支狀態S20 見圖2
圖1 S20 的分支狀態
按分支狀態的編程方法,首先對S20進行驅動處理(OUT Y0),然后按S21、S31、S41的順序進行轉移處理。
匯合狀態的編程
編程方法是先進行匯合前狀態的驅動處理,再依順序進行向匯合狀態的轉移處理。
圖1的匯合狀態及匯合前狀態,如圖3所示。
按照匯合狀態的編程方法,依次將 S21、S31、S32、S41、S42的輸出進行處理,然后按順序進行從 S22(第一分支)、S32(第二分支)、S42(第三分支)向S50的轉移。
圖3 匯合狀態 S50
海藍機電為你提供機器人視覺、上位機軟件、自動化開發、機電設備維修等技術服務。
深圳市海藍機電設備有限公司(m.um800.com)專業經營:三菱變頻器、三菱PLC、三菱觸摸屏、三菱伺服電機等工控自動化產品的批發和代理工作。
電話:0755-88356296(10線) 吳經理:13823726967
本文原創自:深圳海藍機電設備有限公司,轉載請注明出處:http://m.um800.com/article/870.htm.




評論信息