三菱F1 、FX 系列PLC 的常用指令及編程基本操作
(一) 編程元件
X 、Y 、M 、T 、C 分別表示輸入繼電器、輸出繼電器、輔助繼電器、定時器和計數
器。
(二) 常用指令
1) 基本邏輯指令
LD 取指令,即從左母線開始,取用常開觸頭。
LDI 取反指令,即從左母線開始,取用常閉觸頭。
AN 與指令,即常開觸頭的串聯指令。
ANI 與反指令,即常閉觸頭的串聯指令。
OR 或指令,即常開觸頭的并聯指令。
ORI 或反指令,即常閉觸頭的并聯指令。
OUT 線圈得電指令。適用于輸出繼電器和輔助繼電器。并聯的OUT 指令使用次數
不限。上述指令的應用實例如圖1 -2 所示。
2) 并聯電路塊的串聯指令ANB
如圖1 -3 所示,兩個或兩個以上并聯電路塊串聯時,每個并聯電路的起點用指令
LD 或LDI 。串聯結束用指令ANB 。
3) 串聯電路塊的并聯指令ORB
兩個或兩個以上串聯電路塊并聯時,每個并聯電路的起點用指令
LD 或LDI 。并聯結束用指令ORB 。
4) 復位指令RST
復位指令RST 用于計數器或移位寄存器的復位。
5) 計數指令OUT C ×××,K ×××
利用計數器進行控制的梯形圖及指令如圖示。在復位端的觸頭 X427 斷開
時,計數脈沖輸入端每輸入一個脈沖,其設定值減1 ,輸入脈沖數達到設定值20 時,
計數器輸出觸頭C460 接通,使輸出繼電器 Y430 得電。X427 閉合時,C460 復位并斷開
輸出。
6) 定時指令OUT T ××,K ×××
如圖1所示,當觸頭 M130 閉合時,定時器T50 開始按設定值累減計時,累減到
0 即達到定時值 (時基×設定值),其輸出觸頭T50 接觸,使輸出繼電器 Y35 得電。當
M130 斷開時,T50 復位并斷開輸出。
7) 移位指令OUT M ×××,SFT M ×××,RST ×××
如圖 所示,在移位寄存器 M100M117 已復位的情況下,當移位數據輸入端的
初始化脈沖繼電器 M70 觸頭閉合 (移位數據為 “1”),并且移位脈沖輸入端的觸頭 X427
閉合一次 (脈沖上升沿有效),移位數據 “1” 便移入 M100 ,此時該位有輸出,但圖中
沒用到此輸出信號。其后X427 每閉合一次,移位數據 “1” 便移入高一位。當 X427 第
6 次閉合和第9 次閉合時,移位數據 “1” 先后移入M105 和M110 。它們的輸出觸頭先后
令輸出繼電器Y32 和Y35 得電。當復位端的觸頭X400 閉合時,M100M117 被清零復位。
8) 置位/復位指令S/R
當輔助繼電器或輸出繼電器作為鎖存繼電器使用時,需采用置位和復位指令S/R 。
如圖 所示,只要觸頭X421 閉合一瞬間,輔助繼電器 M200 便可得電并內部自保持。
自保持后不再受X421 開關狀態的影響。當觸頭 X427 閉合時才令 M200 失電復位。指令
S 和指令R 之間可插入其他程序。
9) 主控及主控復位指令 M C/M RC
主控指令 MC 用于樹狀分支電路的分支起點,相當于通用計算機的調用子程序指
令。主控復位指令 M RC 用于最后一個分支電路的結束,相當于子程序結束后返回主程
序的指令。圖1為應用指令 MC/M RC 的梯形圖及其指令表。指令 M C 后面的每一分
支電路都應以LD 或LDI 指令開始。第一個分支電路開始使用指令 M C M100 后,該分支
電路結束時不必使用復位指令 M RC ,因為執行指令 MC 后,原公共母線會自動恢復。到
第2 個分支電路結束時才使用復位指令 M RC M101 。
10) 跳步及跳步結束指令CJP/EJP
如上右圖所示,當程序 A 結束并執行到跳步指令 CJP M700 時,便跳過指令 CJP
M700 后的程序B 。接著執行跳步結束指令EJP M700 ,使PLC 執行EJP M700 后面的程序
C 。
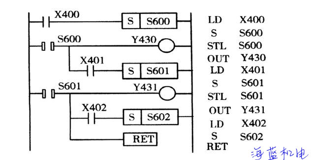
11) 步進指令S ,STL/RET
利用狀態器S (即前述的步進控制器) 和步進指令STL/RET ,可實現步進控制。如
圖1 -11 所示,當觸頭 X400 閉合時,狀態器S600 得電并內部自鎖,其步進輸出觸頭
S600 閉合 (由步進指令STL 控制),使輸出繼電器 Y430 得電,同時為高一位的狀態器
S601 的得電提供一個步進條件信號。當輸入開關觸頭X401 閉合時,狀態器S601 得電并
內部自鎖。此時,狀態器S600 自動失電。同理,狀態器S601 的步進輸出觸頭使輸出繼
電器 Y431 得電,同時為狀態器S602 的得電提供一個步進條件信號,并使自身失電。當
狀態器S602 得電后,執行步進復位指令 RET ,使狀態器S602 失電復位,步進控制系統
回到原位狀態。這種控制系統任何時候只有一位狀態器得電。
12) 脈沖輸出指令PLS
下圖為脈沖輸出梯形圖及指令。指令PLS 的作用是將脈沖寬度較寬的輸入信號
X400 變成脈沖寬度為一個掃描周期的觸發脈沖信號 M101 。這種信號主要用于計數器、
移位寄存器的初始化復位和作為移位脈沖信號。
13) 空操作指令NOP
在修改程序時,如果刪去的指令較多,為使步序號變更較少,可在刪去的指令處輸
入空操作指令NOP 。
14) 程序結束指令END
當程序執行到指令END 時,PLC 完成解用戶邏輯,并轉入輸出處理階段。
三) 編程器及編程基本操作
F1 和FX 系列PLC 的編程器有便攜式編程器和圖形編程器兩種。前一種應用較多,
而且在線編程和修改程序都比較方便。這里以 F1 系列 PLC 編程器中具有代表性的
F1 -20P -E 便攜式編程器為例,介紹其主要功能和編程基本操作。
1) 編程器按鍵說明 F1 -20P -E 編程器的按鍵有指令鍵、操作鍵和數據鍵。指令
鍵用于輸入指令。每個鍵的標記與上述介紹的指令助記符一一對應;數據鍵用于輸入編
程元件號和常數 (如計數器和定時器的設定值等);操作鍵用于進行各種操作。各種鍵
的作用如下:
[INSTR] 指令指示鍵。用于顯示步序和指令。
[CLEAR] 屏幕顯示清除鍵。
[STEP] 步序鍵。按此鍵后才可鍵入步序號。若從第0 步開始可省去。
[STEP (+)] 步序遞增搜索鍵。按此鍵可搜索前一步序號的指令。
STEP (-)] 步序遞減搜索鍵。按此鍵可搜索后一步序號的指令。
[WRITE/MONITOR] 寫入/監控鍵。在編程狀態時,按此鍵將指令寫入用戶存儲器。在
監控狀態時,按此鍵可監視某個編程元件的狀態。
[K/SEACH] 常數輸入鍵??捎糜谳斎胗嫈灯骰蚨〞r器的設定值、搜索程序中
某個特定步序的指令,或搜索給定指令助記符和操作數的指令,并
加以顯示。
[INS] 插入鍵。用于已有程序中插入指令。
[DEL] 刪除鍵。用于已有程序中刪除指令。
F1 -20P -E 編程器的顯示信息有3 種:STEP 顯示步序號、INSTR 顯示指令助記符、
DATA 顯示編程元件號或常數。
2) 編程操作 (PLC 的工作方式開關處于STOP 位置)
a.清除用戶程序存儲器中的內容:依次擊鍵 [CLEAR][STEP][0][STEP],鍵人
所用PLC 機型規定的最終步序地址,[DEL]。
b.輸入程序:依次擊鍵 [CLEAR][INSTR],鍵入指令助記符和操作數 (n -20P -
E 編程器無字母鍵,所以操作數前的字母不必鍵入) 后,按鍵 [W RITE],將指令寫入
內存。從輸入第2 條指令起,不必再按操作鍵 [CLEAR] 和 [INSTR]。例如:
步序 指 令 按 鍵 順 序
0 LD X400 [CLEAR][INSTR][LD][4][0][0][W RITE]
1 OR Y430 [OR)[4][3][0][W RITE]
2 ANI X401 [ANI][4][0][1][W RITE]
3 OUT Y430 [OUT][4][3][0)[W RITE]
c.按步序號讀出指令:依次擊鍵 [CLEAR][STEP],步序號,[INSTR]。若再讀該
步序號前或后的指令,須再按功能鍵 [STRP (+)] 或 [STRP (-)]。
d.查找指令:依次擊鍵 [CLEAR],輸入待查指令,[SEARCH][SEARCH] ?。重
復多次擊 [SEARCH] 鍵,便可查找到程序中分布在不同步序號的待查指令。
e.刪除指令:先用查找指令的方法讀出要刪除的指令,然后按下 [DEL] 鍵即可。
f.插入指令:先用查找指令的方法讀出要插入指令的后一條指令,然后鍵入待插入
的指令并按 [INS] 鍵即可。
公司主營三菱PLC、三菱伺服電機、三菱觸摸屏,三菱伺服各種系列品種齊全,大量現貨,提供技術支持,歡迎選購!13823726967
猜您喜歡:【三菱PLC】三菱FX系列界面介紹




評論信息