三菱FX5U的RS-485口SG引腳經常燒壞原因分析及解決方法
三菱FX5U內置的RS-485接口為什么經常燒壞,我們可以通過以下幾點詳細說明:
一.外部接線錯誤:
(1) 正確接線:
SG與SG相連,屏蔽層采取D類接地(D類接地:接地電阻100Ω以下,電器外殼接地相對電壓300V以下)。
注:若無法采取專用接地(例如:D類接地等),采用下圖的“共用接地”。
錯誤1:SG反接或錯接
SG引腳與RS-485接口其他端子反接或與其他電源、地線(D類接地)等不當連接,可能導致SG引腳承受過大的電流或電壓,從而損壞。
錯誤2:SG未接
如果不接SG引腳,電路將無法形成完整的回路,導致電路無法正常工作;無法將干擾信號導入大地減少電磁干擾(EMI)和射頻干擾(RFI)對電路的影響;無法將雷電沖擊或靜電放電等這些過電壓導入大地;
錯誤3:SG與PE相連
SG引腳主要用于提供電流回流的路徑,而PE則主要用于安全保護;SG引腳通常處理的是設備內部的低電壓和低電流信號。而PE線則可能面臨更高的電壓和電流;SG引腳和PE線的處理需要考慮電磁兼容性,如果SG引腳直接接到PE線上,可能會破壞設備的電磁屏蔽效果,導致電磁泄漏或電磁干擾增加。
二.用戶對SG引腳理解有誤:
有些用戶可能誤將SG引腳視為交流電源的地線或其他用途(SG為直流電源負極),當系統存在漏電或其他問題時,可能導致SG引腳承受異常的電壓或電流。
三.外部異常干擾:
在RS-485通信中,如果外部存在強烈的干擾,這些干擾信號可能通過RS-485線纜進入PLC,并在SG引腳上產生異常的電壓或電流,導致CPU控制板燒壞。
解決建議:
一.確保正確接線
嚴格按照PLC的接線規范進行接線,SG只能與SG相連,不能反接,未接或接PE。
二.加強防護措施
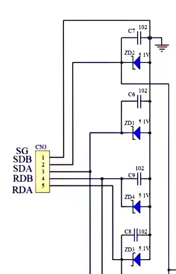
在RS-485通信線路上加入防雷、防靜電等防護措施,減少外部干擾對SG引腳的影響。
三.選用高質量產品
選擇質量可靠、經過嚴格測試的PLC產品,以及與之匹配的RS-485通信設備和線纜。
四.加強維護和管理
定期對PLC進行維護和檢查,及時發現和解決問題。同時,加強對操作人員的培訓和管理,避免人為因素對SG引腳造成損壞。




評論信息