三菱PLC高級同步控制的應用
同步編碼器軸的定義為:
通過外部連接的同步編碼器的輸入脈沖驅動輸入軸的情況下使用同步編碼器軸。
比如某個系統中,以傳送帶軸作為主軸,而傳送帶是由變頻器控制的,那么就可以在該變頻器控制的軸上添加同步編碼器,以此當作輸入軸:同步編碼器軸。
再比如另一種情況,假設三菱PLC模塊QD77MS控制的16軸需要進行同步控制,但是主軸是來自其他模塊控制的或者其他系統的三菱伺服放大器,則其不能當作伺服輸入軸,而需要通過三菱PLC同步編碼器軸進行輸入。
外部編碼器作輸入軸同步控制的例子如下圖
同步編碼器的類型及相關參數
輸入軸有三種類型,指令生成軸、伺服輸入軸、同步編碼器軸。
同步編碼器軸也有三種類型。
首先在如下圖所示,外部同步編碼器可以通過以下三種方式連接到三菱PLC Q172DS Motion的控制系統當中。通過外部連接的同步編碼器的輸入脈沖驅動輸入軸,投入電源后就可以監控同步編碼器的狀態.
在同步控制參數中,可以先選輸入軸參數如下
在同步編碼器軸參數里面,就可以選擇如上三種對應的類型如下圖:
★1:同步編碼器Pn
將三菱PLC簡單運動模塊的手動脈沖器/INC同步編碼器輸入上連接的INC同步編碼器作為同步編碼器軸使用。
當通過同步編碼器類型時,可以選擇通過Motion內置接口的編碼器、Q172DEX同步編碼器輸入模塊或Q173DPX手脈輸入模塊進行輸入,控制圖如下:
★101:通過伺服放大器的同步編碼器
將三菱伺服放大器(MR-J4-B-RJ)的CN2L上連接的串行ABS同步編碼器(Q171ENC-W8)及ABS/INC標度作為同步編碼器軸使用。
當通過伺服放大器的同步編碼器類型時,控制圖如下:
注意
經由伺服放大器同步編碼器時,是采用伺服放大器全閉環MR-J4-B-RJ的型號CN2L上連接的串行ABS同步編碼器(Q171ENC-W8)作為同步編碼器軸使用.
★201:通過軟元件
將三菱PLC模塊的輸入模塊上連接的格雷碼的編碼器作為同步編碼器軸進行控制的情況下使用。
當通過軟元件即CPU同步編碼器類型時,控制圖如下
同步編碼器作輸入軸的同步控制實驗
接下來通過一個簡單的實驗來展示同步編碼器的使用。
★ 硬件配置:
CPU: Q04UDEHCPU
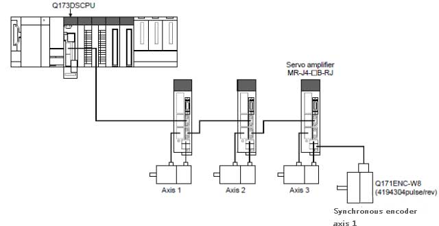
運動控制器:Q172DS Motion
三菱伺服放大器:MR-J4-10B*2
這里以通過Q172DPX輸入增量型編碼器,默認400pulse/r的編碼器分辨率。其控制框架及編碼器實際圖如下:
★ 同步控制參數設置
在輸入軸參數中,選擇同步編碼器軸參數,主要需要設置同步編碼器No及單位轉換設置。這里想設置為編碼器10000pulse/r故設置如下
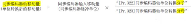
需要注意的是,在單位轉換中,分子分母參數設置比較重要,其公式如下
故當原編碼器分辨率為400pulse/r的輸入時,想要10000pulse/r輸出時,故計算公式如下
10000 pulse/r = 400 x (分子100)/(分母 4)
故進行了如下設置
最后在軸1、軸2的同步參數里,設置為同步編碼器輸入就可以了
上述三菱PLC同步控制參數的設置,其他配置和普通的同步控制參數一樣,需要注意的是三菱伺服編碼器參數中的單位轉換參數要注意理解與計算,就可以實現伺服軸跟隨外部同步編碼器作同步控制的功能。




評論信息