三菱PLC PROFIBUS通訊模塊QJ71PB92V與QJ71PB93D通訊方法
三菱PROFIBUS-DP通訊模塊用于現場層的高速數據傳送,主站周期地讀取從站的輸入信息并周期地向從站發送輸出信息??偩€循環時間必須要比主站(三菱PLC)程序循環時間短。除周期性用戶數據傳輸外,PROFIBUS-DP還提供智能化設備所需的非周期性通信以進行組態、診斷和報警處理。
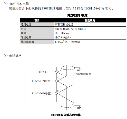
下面介紹主站三菱Q系列plc配件QJ71PB92V與從站QJ71PB93D的通訊,其通訊線纜如下圖a、b所示
圖a 圖b
主站QJ71PB92V與從站QJ71PB93D的通訊的參數設置及程序
? QJ71PB92V的參數設置:
1) 添加模塊
打開GX Configurator-DP(如圖c)
1、新建 2、選擇型號QJ71PB92V 3、下一步(如圖d)
2) 通訊參數設置
填寫主站名稱、傳送速率、站號、插槽位置、下一步(如圖e);
3) 通訊寄存器設置
設置輸入輸出寄存器起始地址,設置完成(如圖f)
1、單擊添加從站→2、單擊PLC展開→3、雙擊QJ71PB93D(如圖g),
4) 添加從站
1、從站名稱,2、從站站號,如圖h,將從站寄存器添加到主站。
圖c 圖d
圖e 圖f

圖g 圖h
? QJ71PB93D的參數設置:
1) 添加模塊
1、新建→2、選擇型號QJ71PB93D→3、下一步,如圖j,插槽位置、填寫從站站號,(如圖k)填寫從站輸入輸出寄存器數。
圖i 圖j
圖k
主站QJ71PB92V的程序:把主站要傳送給從站的數據寫進D2000-D2017,讀取從站的數據在D0。
從站QJ71PB93D的程序:把寫給主站的數據寫進D2000-D2001,讀取主站的數據在D1000-D1001,
深圳海藍機電15年專業從事原裝進口三菱plc、三菱變頻器、三菱觸摸屏、三菱伺服電機,機器人等三菱代理,備有現貨庫存達2000多種,只做原裝正品,不僅為您提供貨期最快捷的產品,更注重為您提供準確的現場技術服務!
24小時訂購熱線:400-8819130 0755-88356296(10線)
本文原創自:深圳市海藍機電設備有限公司,如果你對三菱其他產品應用案例感興趣請閱讀我們的文章:http://m.um800.com/articles/share.html。




評論信息